
遵循标准:
SECULIFE ST 仪器特点:
被测仪器可以的连接类型有:
– 多种总线连接方式的插头通过或者不通过一个适配器连到测试插座上。
– 如果被测仪器没有总线插头可以连接到连接插孔上。
– 可以用加长的线缆和一个适配器通过或者不通过复式输出插座进行连接。
– 连接到工作接地和功能接地。
– 达10个应用部分可以独立地或者共同的连接
总线极性反转:总线极性反转不必人工进行操作。极性反转在测试过程中内部自动完成。
自动识别:可以自动识别总线连接错误和被测仪器的安全等级,在有危险的情况下测试过程自动终止。
显示功能: 操作菜单,设置参数,测量结果,操作说明,错误信息以及在线帮助和原理图都可以现在背光的点矩阵LCD上面。
三相适配器:市场上满足三相设备及单相大电流的测试需求
主菜单引导的测试顺序:按照测试标准全自动或者手工操作方式
保护电阻测试(4极测量法):测试电流可选择200mA,10A或者25A
绝缘测试:通过绝缘阻抗,等效泄漏电流,或者高压测试进行
泄漏电流测试:可以测量对地漏电流、外壳漏电流、患者漏电流以及患者辅助漏电流
耐压测试:6kV直流耐压测试可选
PC,打印机和读码器配有数据接口:
选件SI 使仪器扩展为带数字输入键盘的有存储功能的记录机,它可以生成所有需要的测试报告。通过PC软件可以对所有数据进行分析和管理。
SECULIFE ST 仪器特点-附加功能
万用表:
– 电压测量(AC DC TRMS)
– 电阻测量
– 可触及部件电压测量
功率测试(Power Meter):
– 相电压
– 负载电流
– 差分电流
– 有功功率(Watt)
– 视在功率(VA)
– 功率因数
– 能耗(Wh)
– 持续时间
温度测试(Pt 100 or Pt 1000 可选)
SECULIFE ST测试方法及原理图介绍
保护导体阻值测试:
只针对有保护导体终端的仪器(I类电子设备)
对长度达5米的线缆阻值需要< 0.3 Ω,以后每增加7.5米阻值可以增加0.1 Ω但是最大不能超过1 Ω
测试电流可选择200mA,10A或者25A
绝缘阻值测试:
被测仪器的安全性是否由于污物和潮湿的侵入而受到损害,是通过绝缘阻值测试进行鉴定的。
测试电压: 500 V DC.
在测试中被测仪器导电部分都必须被测试探头触及
绝缘阈值:I类仪器 >0.3M Ω(带加热部分) >1MΩ(不带加热部分), >2MΩ(可接触导电部分没有连接到PE)
II类设备>2MΩ, III类设备>250 KΩ

保护导体电流:
保护导体电流是从被测仪器的绝缘部分流到保护导体电流的总和,或者是由仪器的布线引起的电流。
标准规定:
l类仪器 < 3.5 mA或者1 mA / kW,ll类仪器 < 0.5 mA
接触电流:
接触电流就是当有人体触及到被测仪器没有连接到PE的导电部分时,通过人体流到地的电流
根据标准规定接触电流阈值为< 0.5 mA

泄漏电流测量:
泄漏电流就是从被测仪器的绝缘损坏部分流到地或者外部导电部分的电流
注意:
泄漏电流也可能会由布线引起,泄漏电流,保护导体电流和接触电流的测量都是用来确保电气设备安全性的
保护导体电流和接触电流可以有三种不同的方法进行测量
直接测量法:
泄漏电流通过电流表直接测量。
优点: 测量精度高,甚至可以测量很小的泄漏电流 (测量接触电流时优先选择)。
差分电流测量法:
与 RCCB的工作原理相似,通过一个电流转换器来比较相线和中性线之间的电流,而把他们之间的差值显示出来。
优点: 在进行测试时保护导体可以不用断开 (在进行保护导体电流测量时优先选择)。
等效泄漏电流测量法:
在等效泄漏电流测量法中,测量电压是由被测仪器自身产生的, 并同时被施加到相线和中性线导体。测量仪器内部有阻值为 2 kΩ ±20%的电阻,显示的结果就是被测仪器在额定电压下通过此电阻的电流值。
优点: 测量不受二次地线影响,电源极性不受影响,测量可重复性高。
SECULIFE ST技术参数-标准测试

SECULIFE ST技术参数-功能测试

高电压测试(选件F02)


SECULIFE ST基本参数
电源电压:103.5-126.5V或207-253V
电源频率:50Hz或60Hz
工作温度:0-50℃
保护等级:IP40
通讯接口:RS232
仪器重量:4.5kg
带高压测试模块约5.2kg
尺寸:292×138×243mm
292×138×243mm 带高压模块
绝缘阻抗测试
将500伏特直流电压加到:
输入(L和N短接)和外壳(1级保护性接地)之间(左图),测试结果不超过2MΩ;
应用部件和外壳(第1类保护接地)之间(右图),测试结果不超过10MΩ。
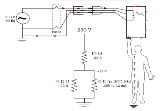
为什么要进行泄漏电流测试?
电流对人体生理上的影响
1区: 使人体产生触电感觉的最小电流
2区: 生理上对人体没有副作用,能够自由摆脱带电体
3区: 通过人体能引起心室纤维性颤动的最小电流值,也许不会对心脏造成器质性的伤害,可能让人呼吸困难
4区: 除出现3区的病理反应外,还会出现可能导致死亡的心室纤维以及心脏停跳,呼吸停止,严重烧伤等反应,并且随时间的增大而加剧。
漏电流
对地漏电流:由网电源部分穿过或跨过绝缘流入保护接地导线的电流。
外壳漏电流:从正常使用时操作者或患者可触及的外壳或外壳部件(应用部分除外),经外部导电连接而不是保护接地导线流入大地或外壳其他部分的电流。
患者漏电流1:从应用部分经患者流入地的电流或是由于患者身上意外出现一个来自外部电源的电压而从患者经F型应用部分流入地的电流。
患者漏电流2:由于在患者身上意外地出现一个来自外部电源的电压而从患者经F型应用部分流入地的电流。
患者漏电流3:表面间接触电流(Surface to Surface Leakage Current)在正常或是单一故障条件下,设备与地无关联任意两点之间的漏电流,电流从设备的一部分流经人体后流入设备的另一部分。
患者辅助漏电流:正常使用时,流入处于应用部分之间的患者的电流,此电流预期不产生生理效应。
单一故障状态
对地漏电流、外壳漏电流、患者漏电流及患者辅助漏电流,应在下列单一故障状态下进行:
- 每次断开一根电源导线;
- 断开一根保护接地导线(对地漏电流不适用),若是安装的导线不需要进行这一测量。
患者漏电流应在下列单一故障状态下测量,将最高额定网电源电压值的110%的电压加到地与任一信号输入或输出部分之间。
在制造商规定信号输入或输出部分与存在外部电压相连是,需要将将最高额定网电源电压值的110%的电压加到地与任一信号输入或输出部分之间来测量外壳漏电流。
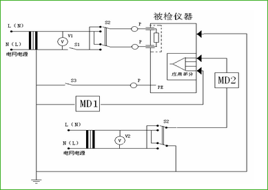
对地漏电流测试
检测仪器对被测设备MD电源端输入110%额定电压,通过检测仪器内部的人体模拟电路(MD),测量对地漏电流值。
S2:电源极性切换
S1:断开一根电源导线

正常状态:
S1闭合,S2极性正常
S1闭合,S2极性反转
单一故障状态:
S1断开,S2极性正常
S1断开,S2极性反转
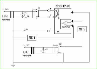
外壳漏电流
MD1测量的是从外壳的每一部分到地的漏电流
MD2测量的是外壳各部分之间的漏电流
S1:断开一根电源导线
S2:电源极性切换
S3:保护接地闭合/断开
正常状态:
S1闭合,S2极性正常or反转
S3闭合,S2极性正常or反转
单一故障状态:
S1断开,S2极性正常or反转
S3断开,S2极性正常or反转
患者漏电流测试(MD1)
测量患者漏电流,检测仪器必须轮流地从每个患者连接点进行测量
MD1测量的是从应用部分经患者流入地的漏电流
S1:断开一根电源导线
S2:电源极性切换
S3:保护接地闭合/断开

正常状态:
S1闭合,S2极性正常or反转
S3闭合,S2极性正常or反转
单一故障状态:
S1断开,S2极性正常or反转
S3断开,S2极性正常or反转
患者漏电流测试(应用部分加网电源电压MD2)
MD2测量的是由于患者身上意外出现一个来自外部电源的电压而从患者经F型应用部分流入地的电流。
S2:电源极性切换
S1:断开一根电源导线
正常状态:
S1闭合,S2极性正常or反转
单一故障状态:
S1断开,S2极性正常or反转
患者辅助漏电流测试
S1:断开一根电源导线
S2:电源极性切换
S3:保护接地闭合/断开
正常状态:
S1闭合,S2极性正常or反转
S3闭合,S2极性正常or反转
单一故障状态:
S1断开,S2极性正常or反转
S3断开,S2极性正常or反转
